《2021年图森-X7-T系列壁挂式衣柜标准图》
文件格式:Dwg,CAD2007以上版本可打开,有偿分享价:¥10
有意向购买请加老李微信:ligongts 支付整理费,提取文件。(备注:2021年图森-X7-T系列壁挂式衣柜标准图)
如需整木资料请上整木图纸站:www.gdtuzhi.com
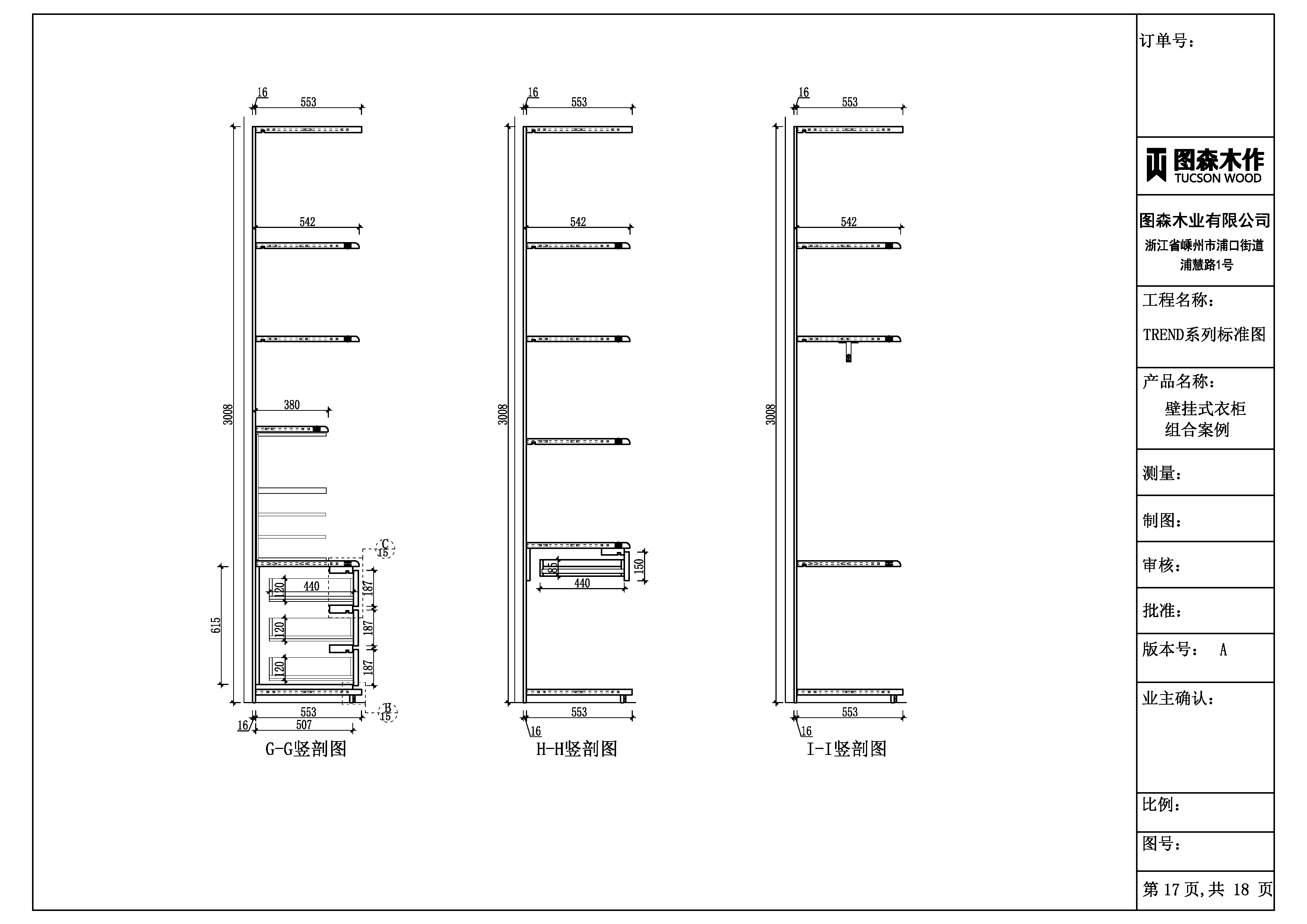
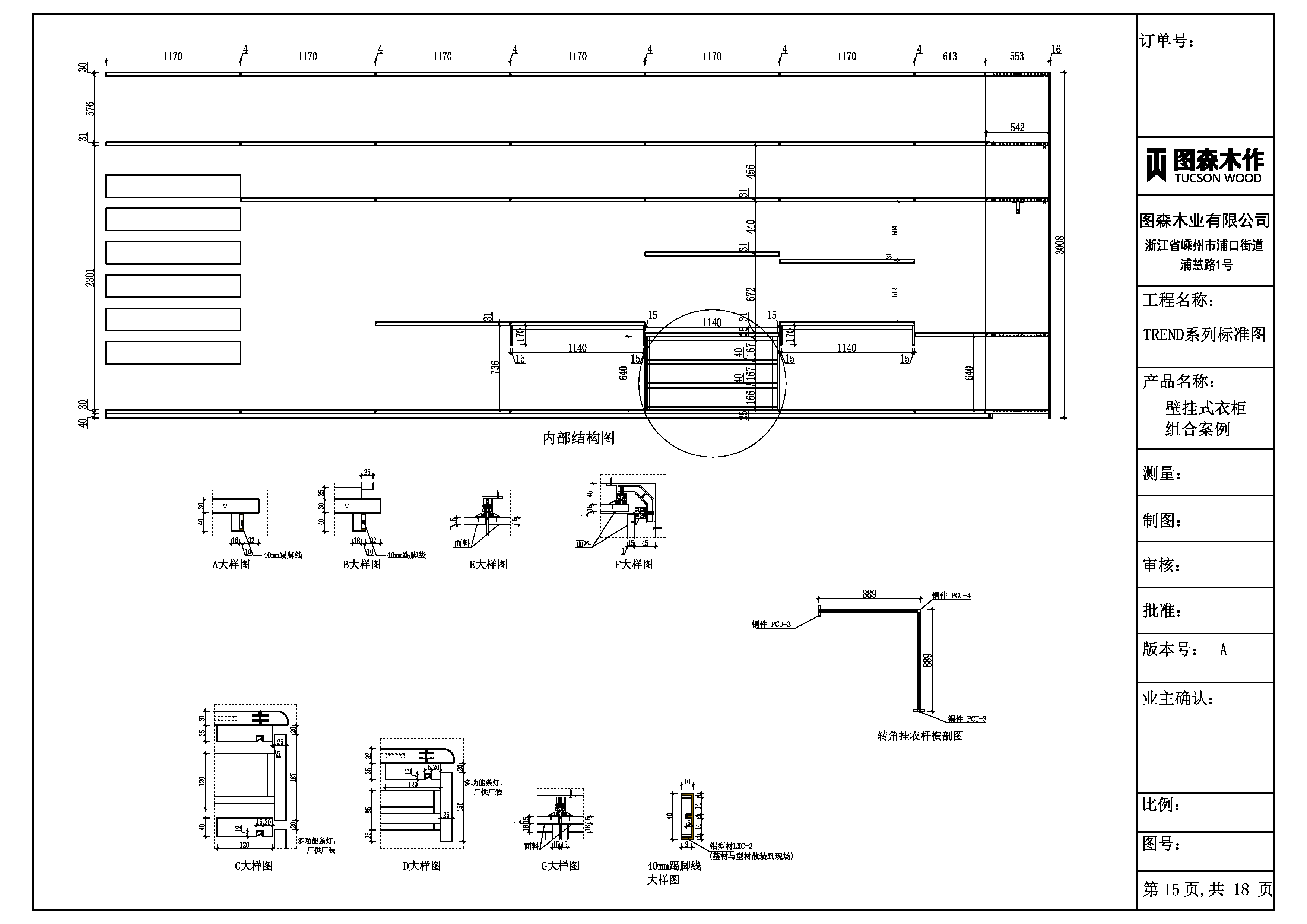
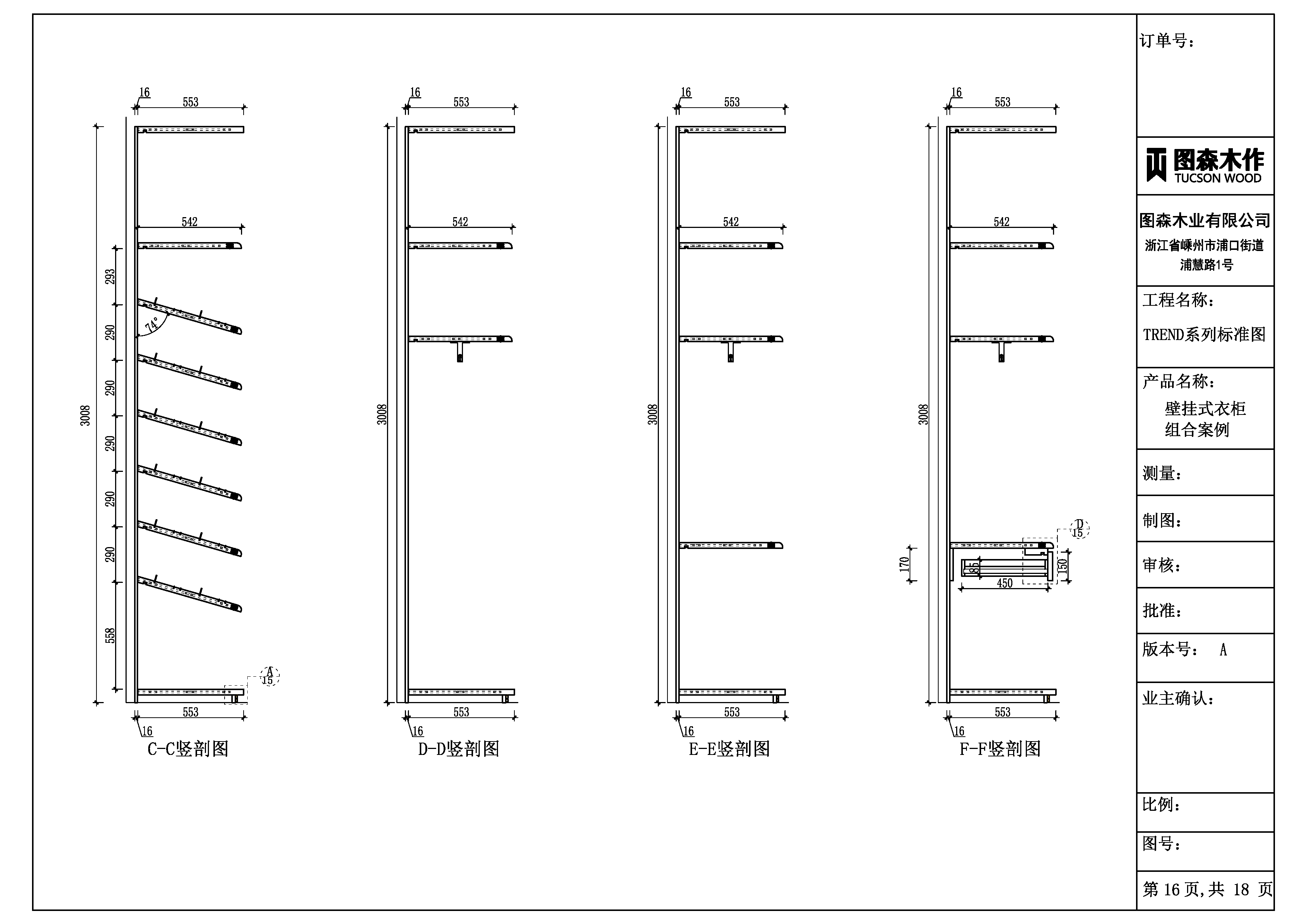
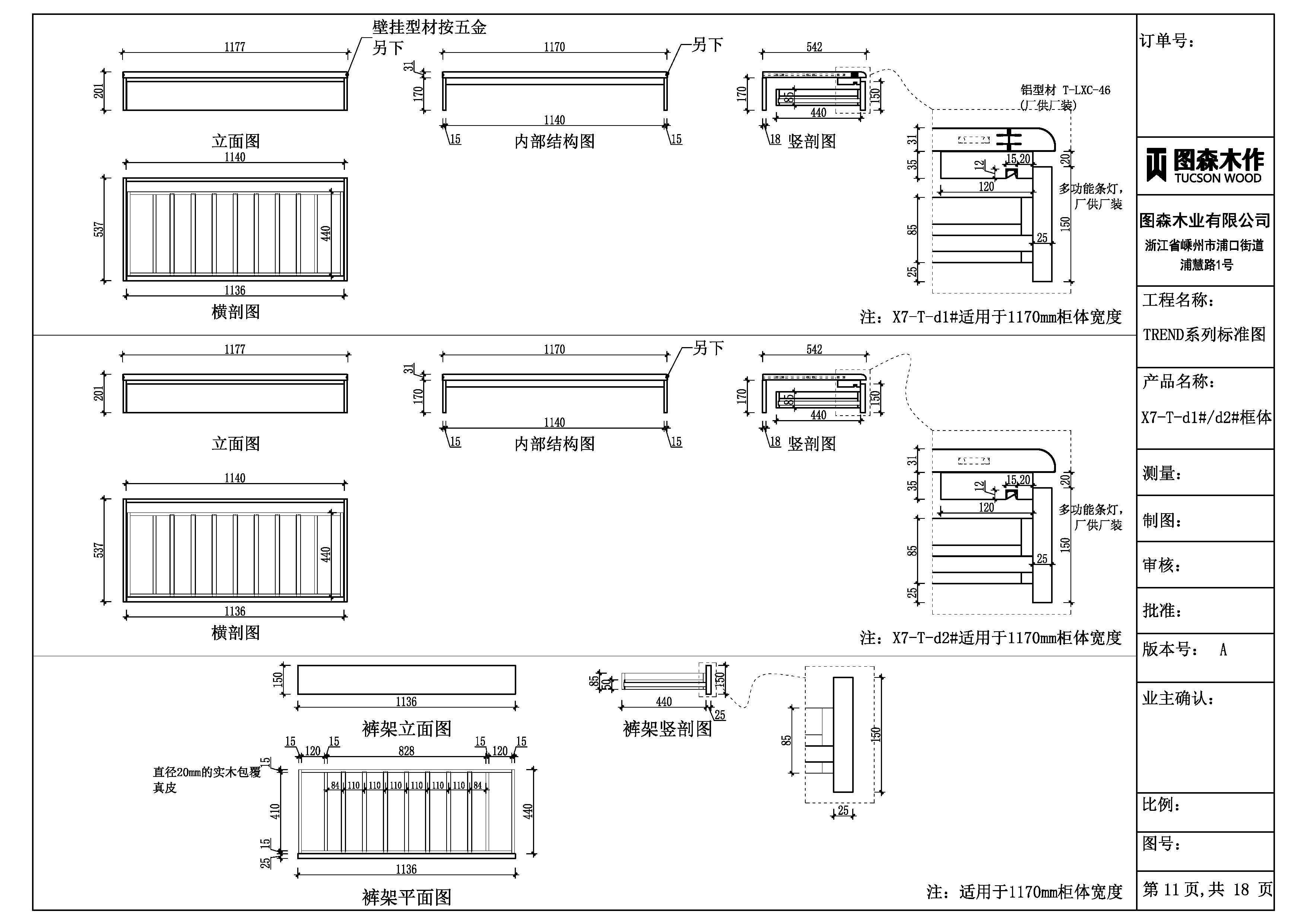
《2021年图森-X7-T系列壁挂式衣柜标准图》截图展示


版面有限,只展示前面一小部分文件资料!
如何购买
扫微信二维码

或手动加老李微信:ligongts
图纸版权免责声明:
本网站家具图纸皆属于原公司版权所有,本网站不承担任何责任。如有侵权,请联系我们做删除处理!整木图纸资源仅供学习与参考,请勿用于商业用途,否则产生的一切后果将由您自己承担!
