图森x7资料参考
文件格式:pdf,adobe acrobat软件可打开
如需高定轻奢品牌木作图纸请上『整木图纸站』:www.gdtuzhi.com
《图森X7-T系列电视机背景墙型材使用说明》截图展示

《图森X7-挂壁式衣帽间型材使用说明》截图展示


《图森X7-木饰面型材使用说明》截图展示

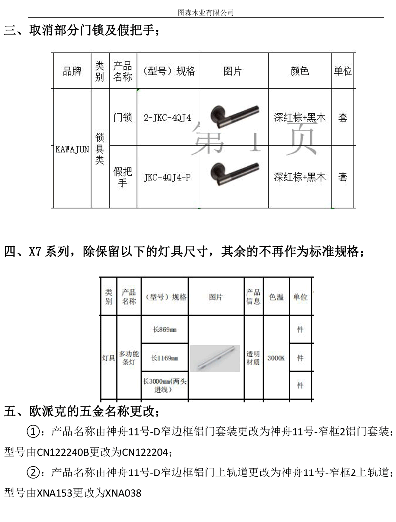
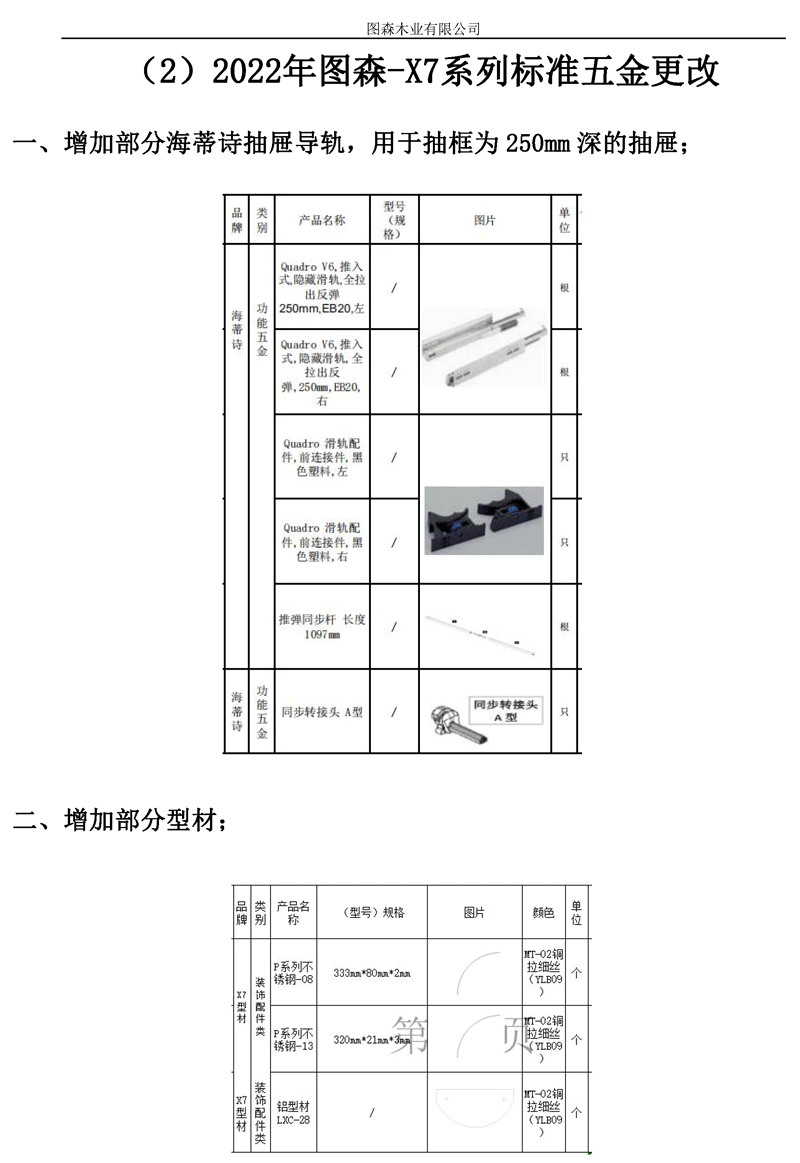
《图森X7系列标准图纸及五金更改说明》截图展示

《图森双色型材说明》截图展示


版面有限,只展示前面一小部分文件资料!
如何购买
扫微信二维码

或手动加老李微信:ligongts
图纸版权免责声明:
本网站家具图纸皆属于原公司版权所有,本网站不承担任何责任。如有侵权,请联系我们做删除处理!整木图纸资源仅供学习与参考,请勿用于商业用途,否则产生的一切后果将由您自己承担!

