推荐高定品牌:《2025年图森》新系列全套图纸资料

浙江图森定制家居标准图外部版本-04版,文件格式:Dwg,AutoCAD2007软件以上版本可打开

图森家装系统产品:门有28个产品图纸,这里只截图显示了一个产品图

图森家装系统产品:窗套有24个产品图纸,这里只截图显示了一个产品图

图森家装系统产品:窗台有7个产品图纸,这里只截图显示了一个产品图

图森家装系统产品:壁炉有12个产品图纸,这里只截图显示了一个产品图

图森家装系统产品:木饰面有9个产品图纸,这里只截图显示了一个产品图

图森家装系统产品:装饰柜有10个产品图纸,这里只截图显示了一个产品图

图森家装系统产品:衣柜有15个产品图纸,这里只截图显示了一个产品图

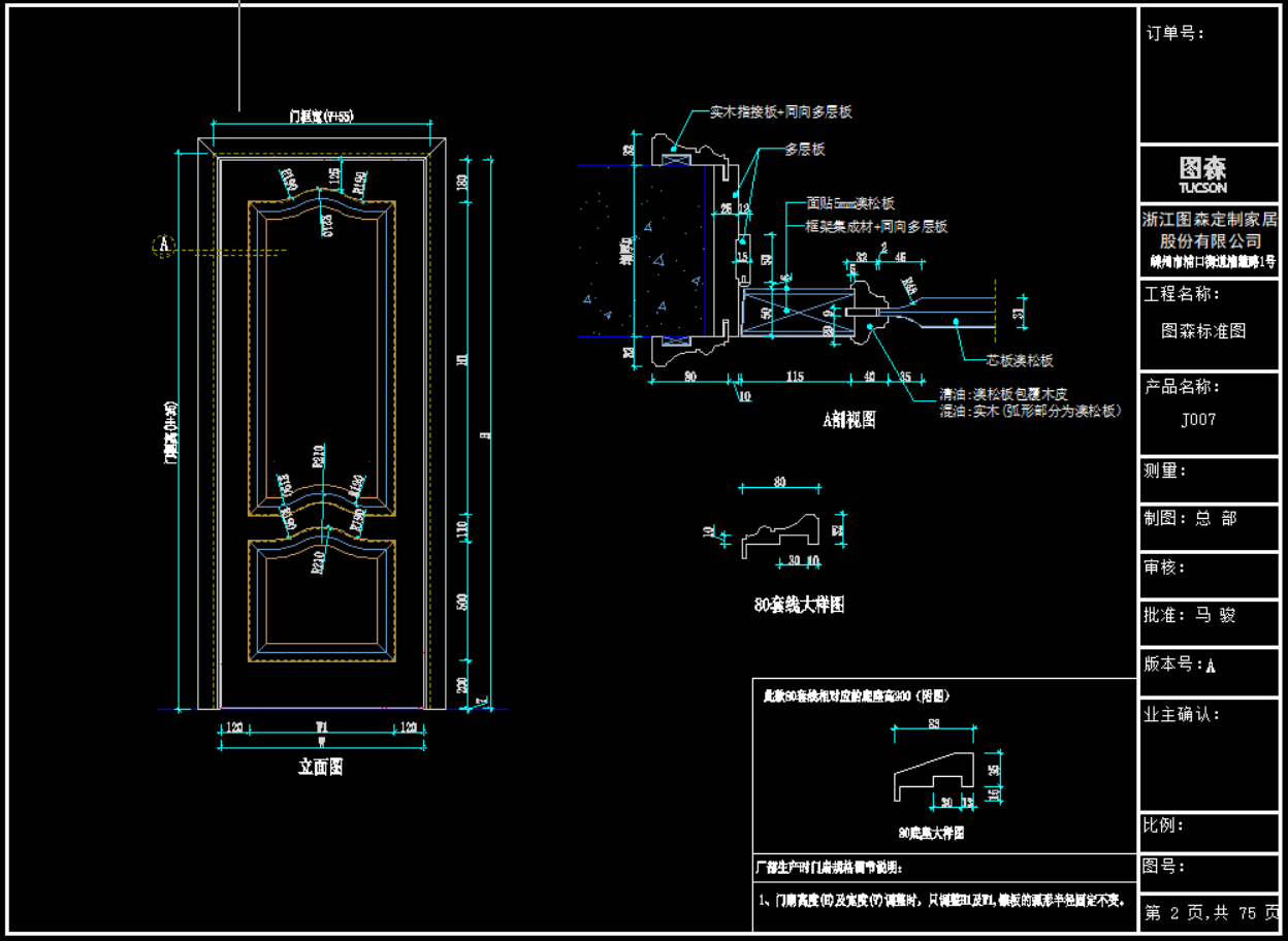
图森家装系统产品:门有10个产品图纸,这里只截图显示了一个产品图

图森家装系统产品:木饰面有7个产品图纸,这里只截图显示了一个产品图

图森家装系统产品:柜类部件有1个产品图纸,这里只截图显示了一个产品图

图森家装系统产品:壁炉有2个产品图纸,这里只截图显示了一个产品图

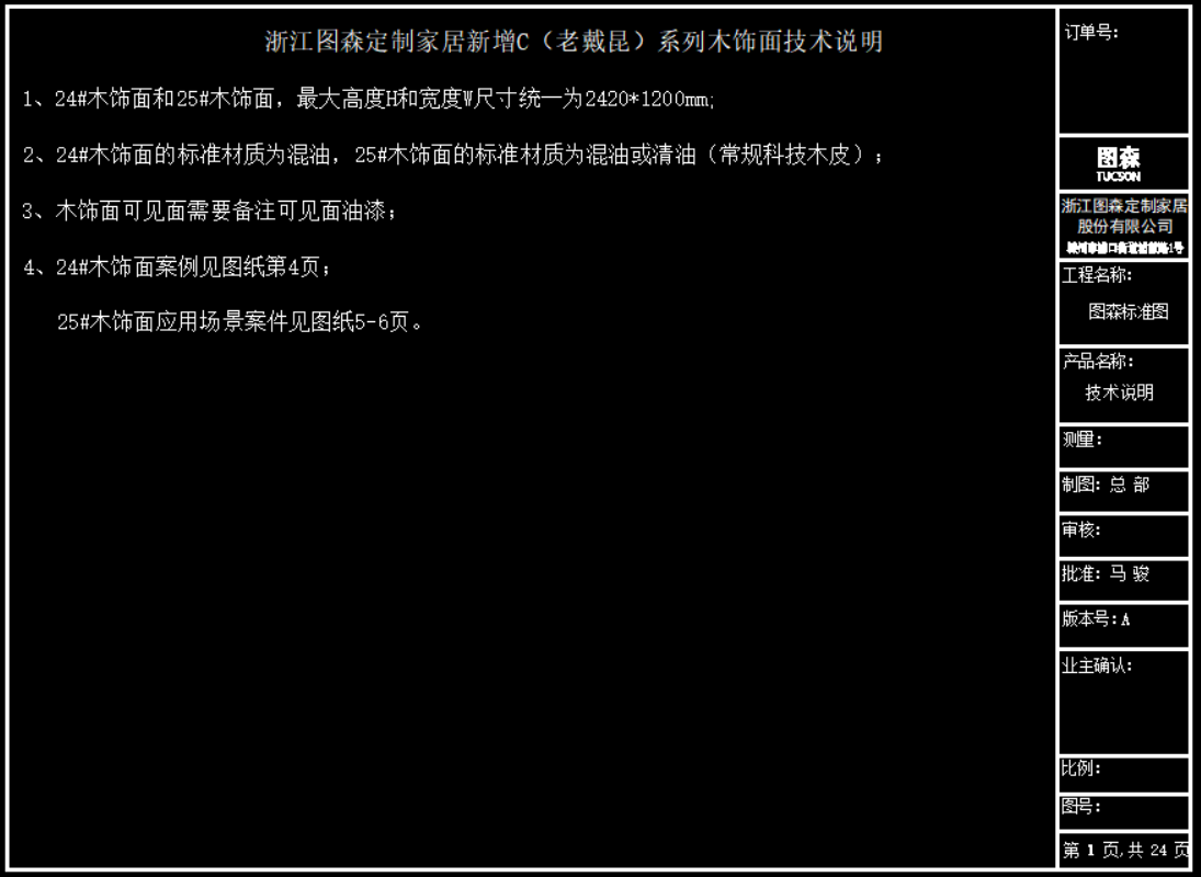
图森家装系统产品:新增C(老戴昆)系列木饰面有5个产品图纸,这里只截图显示了一个产品图

版面有限,只展示前面一小部分文件资料!
浙江图森定制家居标准图外部版本-04版只截图显示了部分资料
因『高定图纸站』老李同学每天需要画图,没有太多的精力截图。所以
《浙江图森定制家居标准图外部版本-04版》更多图森产品系列图纸文件 未截图,敬请原谅!
图森新系列全套图纸资料确实不错,图森资料随时会下架,木作朋友请及时购买!
资料分享的收入主要用于购买原厂家的图纸资料,图纸资料每年都会更新,感谢您的购买与支持!
如何购买
扫微信二维码

或手动加老李微信:ligongts
图纸版权免责声明:
本网站家具图纸皆属于原公司版权所有,本网站不承担任何责任。如有侵权,请联系我们做删除处理!整木图纸资源仅供学习与参考,请勿用于商业用途,否则产生的一切后果将由您自己承担!
