《图森》SU标准体系(配套CAD图纸)
模仿图森,老李高定产品系统化设计SU标准体系
容量:947 MB,有偿学习价仅需:¥269 购买请加李工微信:duuong123

目录如下:高定图纸站-X7-P系列
. 1、老李(X7)-P系列门类标准图
. 2、老李(X7)-P系列抽拉柜标准图
. 3、老李(X7)-P系列酒柜标准图
. 4、老李(X7)-P系列书柜标准图
. 5、老李(X7)-P系列玄关柜标准图
. 6、老李(X7)-P系列衣柜标准图
高定图纸站-X7-S系列
. 1、老李(X7)-S系列门类标准图
. 2、老李(X7)-S系列木饰面标准图
高定图纸站-X7-T系列
. 1、老李(X7)-T系列电视机背景墙标准图
. 2、老李(X7)-T系列木饰面标准图
. 3、老李(X7)-T系列书柜标准图
. 4、老李(X7)-T系列玄关柜标准图
. 5、老李(X7)-T系列中岛柜标准图
高定图纸站-老李高定简美系列
高定图纸站-老李高定经典系列
高定图纸站-老李柜类组合模版
高定图纸站-老李经典门型系列
因精力有限,还有更多高定产品系统化SU标准体系目录未截图!
图森SU标准体系(配套CAD图纸)部分图纸内容截图

图森-老李经典门型系列:SU模型,文件格式:skp,SketchUp2018软件可打开


图森-老李经典门型系列:《配套CAD图纸》,文件格式:Dwg,AutoCAD2007软件以上版本可打开

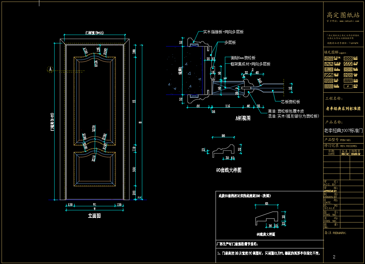
图森-老李高定经典系列:老李经典J007标准门 SU模型,文件格式:skp,SketchUp2018软件可打开

图森-老李高定经典系列:老李经典J007标准门 CAD配套图纸,文件格式:skp,SketchUp2018软件可打开

图森-老李高定经典系列:老李经典J009标准门 SU模型,文件格式:skp,SketchUp2018软件可打开

图森-老李高定经典系列:老李经典J009标准门 CAD配套图纸,文件格式:skp,SketchUp2018软件可打开

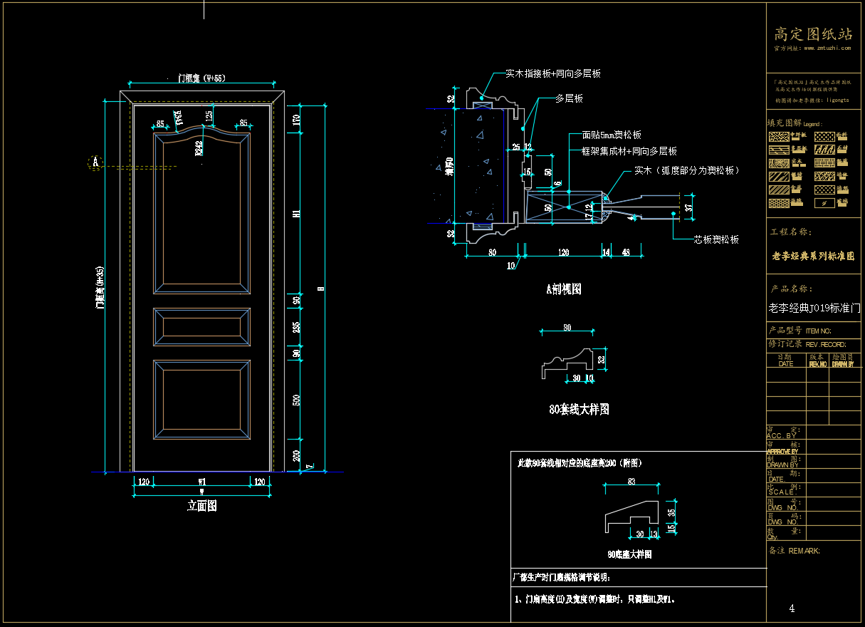
图森-老李高定经典系列:老李经典J019标准门 SU模型,文件格式:skp,SketchUp2018软件可打开

图森-老李高定经典系列:老李经典J019标准门 CAD配套图纸,文件格式:skp,SketchUp2018软件可打开

版面有限,只展示前面一小部分文件资料!
图森-老李柜类组合模版:SU模型,文件格式:skp,SketchUp2018软件可打开

版面有限,只展示前面一小部分文件资料!
图森-老李柜类组合模版:《配套CAD图纸》来源于《2025年图森》新系列全套图纸资料,需要组合模型的小伙伴,可另外购买模型(配套CAD图纸)。
购买地址:图森新系列全套图纸资料
图森-老李高定经典系列:SU模型,文件格式:skp,SketchUp2018软件可打开

图森-老李高定经典系列:《配套CAD图纸》,文件格式:Dwg,AutoCAD2007软件以上版本可打开

版面有限,只展示前面一小部分文件资料!
图森-老李高定简美系列:SU模型,文件格式:skp,SketchUp2018软件可打开

图森-老李高定简美系列:《配套CAD图纸》,文件格式:Dwg,AutoCAD2007软件以上版本可打开

图森-老李高定简美系列:简美T001门 SU模型,文件格式:skp,SketchUp2018软件可打开

图森-老李高定简美系列:简美T001门《配套CAD图纸》,文件格式:Dwg,AutoCAD2007软件以上版本可打开

图森-老李高定简美系列:简美T003门 SU模型,文件格式:skp,SketchUp2018软件可打开

图森-老李高定简美系列:简美T003门《配套CAD图纸》,文件格式:Dwg,AutoCAD2007软件以上版本可打开

图森-老李高定简美系列:简美T005门 SU模型,文件格式:skp,SketchUp2018软件可打开

图森-老李高定简美系列:简美T005门《配套CAD图纸》,文件格式:Dwg,AutoCAD2007软件以上版本可打开

图森-老李高定简美系列:简美T006门 SU模型,文件格式:skp,SketchUp2018软件可打开

图森-老李高定简美系列:简美T006门《配套CAD图纸》,文件格式:Dwg,AutoCAD2007软件以上版本可打开

图森-老李高定简美系列:简美T007门 SU模型,文件格式:skp,SketchUp2018软件可打开

图森-老李高定简美系列:简美T007门《配套CAD图纸》,文件格式:Dwg,AutoCAD2007软件以上版本可打开

图森-老李高定简美系列:简美T008门(A款) SU模型,文件格式:skp,SketchUp2018软件可打开
.png)
图森-老李高定简美系列:简美T008门(A款)《配套CAD图纸》,文件格式:Dwg,AutoCAD2007软件以上版本可打开

图森-老李高定简美系列:简美T008门(B款) SU模型,文件格式:skp,SketchUp2018软件可打开
.png)
图森-老李高定简美系列:简美T008门(B款)《配套CAD图纸》,文件格式:Dwg,AutoCAD2007软件以上版本可打开

图森-老李高定简美系列:简美T008双开门 SU模型,文件格式:skp,SketchUp2018软件可打开
双开门.png)
图森-老李高定简美系列:简美T008双开门《配套CAD图纸》,文件格式:Dwg,AutoCAD2007软件以上版本可打开

图森-老李高定简美系列:标准线型、底座 SU模型,文件格式:skp,SketchUp2018软件可打开

图森-老李高定简美系列:标准线型、底座《配套CAD图纸》,文件格式:Dwg,AutoCAD2007软件以上版本可打开

版面有限,只展示前面一小部分文件资料!
老李高定简美系列产品说明
1、T005、T006、T007三款门型仅限做混油产品;
2、第3页的T003门扇工艺槽由5mm宽调整至8mm宽;第4页的T004门扇工艺槽由5mm宽调整至8mm宽;
3、第10页的简美65套线的工艺结构升级。
图森-老李高定简美系列:16#木饰面 SU模型,文件格式:skp,SketchUp2018软件可打开

图森-老李高定简美系列:16#木饰面《配套CAD图纸》,文件格式:Dwg,AutoCAD2007软件以上版本可打开

图森-老李高定简美系列:17#木饰面 SU模型,文件格式:skp,SketchUp2018软件可打开

图森-老李高定简美系列:17#木饰面《配套CAD图纸》,文件格式:Dwg,AutoCAD2007软件以上版本可打开

图森-老李高定简美系列:21#木饰面 SU模型,文件格式:skp,SketchUp2018软件可打开

图森-老李高定简美系列:21#木饰面《配套CAD图纸》,文件格式:Dwg,AutoCAD2007软件以上版本可打开

图森-老李高定简美系列:22#木饰面 SU模型,文件格式:skp,SketchUp2018软件可打开

图森-老李高定简美系列:22#木饰面《配套CAD图纸》,文件格式:Dwg,AutoCAD2007软件以上版本可打开

图森-老李高定简美系列:23#木饰面 SU模型,文件格式:skp,SketchUp2018软件可打开

图森-老李高定简美系列:23#木饰面《配套CAD图纸》,文件格式:Dwg,AutoCAD2007软件以上版本可打开

图森-老李高定简美系列:外立面T型木饰面 SU模型,文件格式:skp,SketchUp2018软件可打开

图森-老李高定简美系列:外立面T型木饰面《配套CAD图纸》,文件格式:Dwg,AutoCAD2007软件以上版本可打开

版面有限,只展示前面一小部分文件资料!
老李高定简美系列产品(木饰面)升级说明
1、原18#、20#木饰面取消,新增22#、23#两款木饰面;
2、22#木饰面仅限做混油产品;
老李(X7)-P系列门类标准图:SU模型,文件格式:skp,SketchUp2018软件可打开
-P系列门类标准图.png)
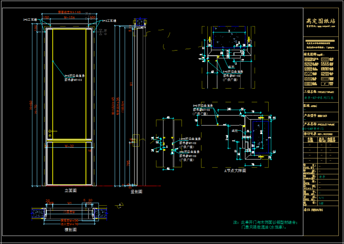
老李(X7)-P系列门类标准图:《配套CAD图纸》,文件格式:Dwg,AutoCAD2007软件以上版本可打开
-P系列门类标准图CAD.png)
老李(X7)-P系列门类标准图:D2-1#P单开门 到 D3-1#P单开门 SU模型,文件格式:skp,SketchUp2018软件可打开

老李(X7)-P系列门类标准图:D2-1#P单开门 到 D3-1#P单开门 《配套CAD图纸》,文件格式:Dwg,AutoCAD2007软件以上版本可打开

老李(X7)-P系列门类标准图:1#P双面垭口 到 2#P双面垭口 SU模型,文件格式:skp,SketchUp2018软件可打开

老李(X7)-P系列门类标准图:1#P双面垭口 到 2#P双面垭口《配套CAD图纸》,文件格式:Dwg,AutoCAD2007软件以上版本可打开

版面有限,只展示前面一小部分文件资料!
老李-X7-P系列门类技术说明
1、标准单开门共有4款,编号分别为D1、D2、D3、D4;每款各有2种(配套2种SU模型体系),分别对应有木饰面和无木饰面的情况;除已标材质区域,其余的都是混油(水性漆);
2、P、T、S系列垭口共用P系列标准垭口;窗套在老李经典系列中选择或自行设计下单;
3、标准图内的所有门型、垭口不含底座、防撞条、五金;门的开启方向以作业单填写为准;
4、所有门型的门缝为上3mm下7mm,左右竖缝各为3mm;
5、门扇高度H及宽度W调整时,只调整H1及W1,门扇的圆弧半径固定不变;双面垭口和单面垭口的横框宽W和竖框高H可随意调节;
6、只限D1、D4款门扇做双开门,启口参第10页图纸;
7、开门把手离地高度尺寸统一为1000mm;
8、图纸中标注面料、水性仿真皮的部位,下单时需要在图纸中标注对应材质色板的编号。
老李(X7)-P系列抽拉柜标准图:SU模型,文件格式:skp,SketchUp2018软件可打开

老李(X7)-P系列抽拉柜标准图:《配套CAD图纸》,文件格式:Dwg,AutoCAD2007软件以上版本可打开
老李(X7)-P系列抽拉柜标准图:C2-1#P抽拉柜、C2-2#P抽拉柜、C2-3#P抽拉柜 SU模型,文件格式:skp,SketchUp2018软件可打开

老李(X7)-P系列抽拉柜标准图:C2-1#P抽拉柜、C2-2#P抽拉柜、C2-3#P抽拉柜《配套CAD图纸》,文件格式:Dwg,AutoCAD2007软件以上版本可打开

版面有限,只展示前面一小部分文件资料!
老李-X7-P系列抽拉柜技术说明
1、标准抽拉柜共分为C1和C2两款,每款抽拉柜分为2925mm、2545mm、2345mm三种高度尺寸, 分别对应柜子高度为3000mm、2620mm、2420mm的衣柜;与衣柜组合时,抽拉柜两侧衣柜的侧板需在图纸中标注可见面油漆;
2、抽拉柜不含顶角线和踢脚线;
3、抽拉柜配海福乐拉出式柜体滑轨;
4、抽屉框体厂部组好,整装发货;抽屉面板现场组装;
5、图纸中标注水性仿真皮的部位,下单时需要在图纸中标注对应材质色板的编号。
老李(X7)-P系列酒柜标准图:SU模型,文件格式:skp,SketchUp2018软件可打开
-P系列酒柜标准图.png)
老李(X7)-P系列酒柜标准图:《配套CAD图纸》,文件格式:Dwg,AutoCAD2007软件以上版本可打开

老李(X7)-P系列酒柜标准图:1#P酒柜 SU模型,文件格式:skp,SketchUp2018软件可打开

老李(X7)-P系列酒柜标准图:1#P酒柜 《配套CAD图纸》,文件格式:Dwg,AutoCAD2007软件以上版本可打开


老李(X7)-P系列酒柜标准图:2#P酒柜 SU模型,文件格式:skp,SketchUp2018软件可打开

老李(X7)-P系列酒柜标准图:2#P酒柜《配套CAD图纸》,文件格式:Dwg,AutoCAD2007软件以上版本可打开

老李(X7)-P系列酒柜标准图:2#P酒柜隔板 SU模型,文件格式:skp,SketchUp2018软件可打开

老李(X7)-P系列酒柜标准图:2#P酒柜隔板《配套CAD图纸》,文件格式:Dwg,AutoCAD2007软件以上版本可打开

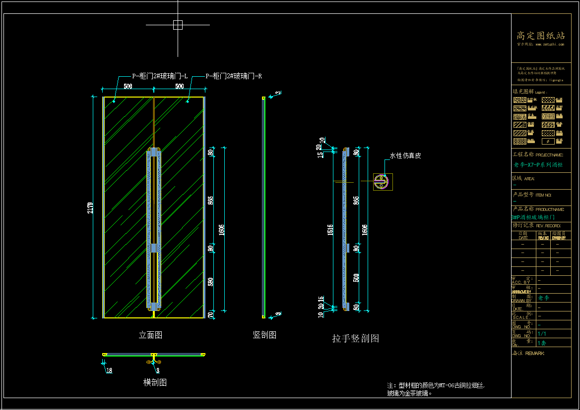
老李(X7)-P系列酒柜标准图:1#P酒柜玻璃柜门 SU模型,文件格式:skp,SketchUp2018软件可打开

老李(X7)-P系列酒柜标准图:1#P酒柜玻璃柜门《配套CAD图纸》,文件格式:Dwg,AutoCAD2007软件以上版本可打开

老李(X7)-P系列酒柜标准图:配件 SU模型,文件格式:skp,SketchUp2018软件可打开

老李(X7)-P系列酒柜标准图:其他《配套CAD图纸》,文件格式:Dwg,AutoCAD2007软件以上版本可打开

版面有限,只展示前面一小部分文件资料!
老李-X7-P系列酒柜技术说明
1、标准酒柜共分为三款,分别为1#P酒柜、2#P酒柜、3#P酒柜,尺寸分别为
3000mm*1220mm*490mm、2620mm*1220mm*490mm、2420mm*1220mm*490mm;
2、酒架厂部组好,整装发货;
3、图纸中标注面料、水性仿真皮和真皮的部位,下单时需要在图纸中标注对应材质色板的编号;
4、柜门需配“乐思柜门无线红外感应器”,安装于柜门上方的顶板,用于控制柜内灯具的开关。
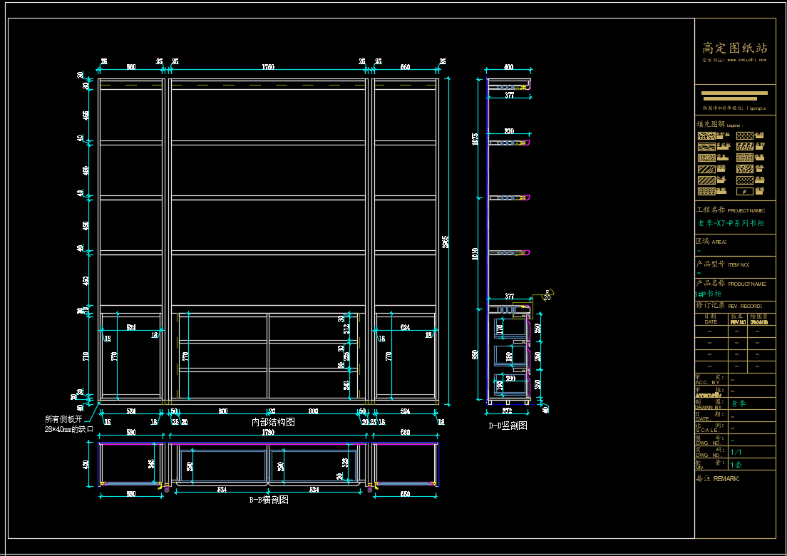
老李(X7)-P系列书柜标准图:SU模型,文件格式:skp,SketchUp2018软件可打开
-P系列书柜标准图.png)
老李(X7)-P系列书柜标准图:《配套CAD图纸》,文件格式:Dwg,AutoCAD2007软件以上版本可打开

老李(X7)-P系列书柜标准图:1#P书柜 SU模型,文件格式:skp,SketchUp2018软件可打开

老李(X7)-P系列书柜标准图:1#P书柜 《配套CAD图纸》,文件格式:Dwg,AutoCAD2007软件以上版本可打开


老李(X7)-P系列书柜标准图:2#P书柜 SU模型,文件格式:skp,SketchUp2018软件可打开

老李(X7)-P系列书柜标准图:2#P书柜《配套CAD图纸》,文件格式:Dwg,AutoCAD2007软件以上版本可打开


老李(X7)-P系列书柜标准图:细节 SU模型,文件格式:skp,SketchUp2018软件可打开

老李(X7)-P系列书柜标准图:细节《配套CAD图纸》,文件格式:Dwg,AutoCAD2007软件以上版本可打开

版面有限,只展示前面一小部分文件资料!
老李-X7-P系列书柜技术说明
1、标准书柜按尺寸分共有9种,宽度尺寸分别为3100mm、2800mm、2500mm,高度尺寸分别为2420mm、2620mm、2965mm;
2、柜门配萨郦奇AIR天地阻尼铰链,抽屉配隐藏式托底轨;
3、柜门可更改为无拉手的型材柜门,柜门的产品名称分别为P-柜门1#皮革门-L, P-柜门1#皮革门-R;图纸详见《2020年图森-X7-P系列部件类标准图》;需安装海福乐的明装反弹器以及吸片(现场安装)或自行选购反弹装置:海福乐反弹器的产品名称为海福乐M-PUSH反弹器,型号为356.05.142;海福乐吸片的产品名称为海福乐M-PUSH吸片,型号为246.03.790;
4、图纸中标注面料、水性仿真皮和真皮的部位,下单时需要在图纸中标注对应材质色板的编号;
5、柜门需配“乐思柜门无线红外感应器”,安装于柜门上方的顶板,用于控制柜内灯具的开关。
老李(X7)-P系列玄关柜标准图:SU模型,文件格式:skp,SketchUp2018软件可打开
-P系列玄关柜标准图》.png)
老李(X7)-P系列玄关柜标准图:《配套CAD图纸》,文件格式:Dwg,AutoCAD2007软件以上版本可打开

老李(X7)-P系列玄关柜标准图:1#P玄关柜 SU模型,文件格式:skp,SketchUp2018软件可打开

老李(X7)-P系列玄关柜标准图:1#P玄关柜 《配套CAD图纸》,文件格式:Dwg,AutoCAD2007软件以上版本可打开

老李(X7)-P系列玄关柜标准图:2#P玄关柜 SU模型,文件格式:skp,SketchUp2018软件可打开

老李(X7)-P系列玄关柜标准图:2#P玄关柜《配套CAD图纸》,文件格式:Dwg,AutoCAD2007软件以上版本可打开

版面有限,只展示前面一小部分文件资料!
老李-X7-P系列玄关柜技术说明
1、标准玄关柜按尺寸分共有6种,宽度尺寸分别为3000mm,2700mm,高度尺寸分别为2420mm,2620mm,3000mm;
2、柜门配萨郦奇AIR天地阻尼铰链,抽屉配隐藏式托底轨;
3、小的柜门可更改为无拉手的型材柜门,柜门的产品名称分别为P-柜门1#皮革门-L, P-柜门1#皮革门-R;图纸详见《2020年图森-X7-P系列部件类标准图》;需安装海福乐的明装反弹器以及吸片(现场安装)或自行选购反弹装置:海福乐反弹器的产品名称为海福乐M-PUSH反弹器,型号为356.05.142;海福乐吸片的产品名称为海福乐M-PUSH吸片,型号为246.03.790;
4、柜门需配“乐思柜门无线红外感应器”,安装柜门上方的顶板,用于控制柜内灯具的开关;
5、图纸中标注面料、水性仿真皮和真皮的部位,下单时需要在图纸中标注对应材质色板的编号;
且不能使用TS-PU-08真皮。

图森SU标准体系(配套CAD图纸)
容量:947 MB,有偿学习价仅需:¥269
资料分享的收入主要用于购买原厂家的图纸资料,图纸资料每年都会更新,感谢您的购买与支持!
如何购买
扫微信二维码

或手动加李工微信:duuong123
